บทความ
บทความเนื้อหาข้างล่างนี้ วัตถุประสงค์คือถูกจัดทำมาเพื่ออธิบายความเสี่ยง Risk ความอันตราย Hazards เบื้องต้นของอุตสาหหรรมแบบต่างๆ เพื่อเป็นแหล่งความรู้ ไม่ได้มีวัตถุประสงค์เพื่อสร้างความเสื่อมเสียให้วงการใด วงการหนึ่ง ทั้งหมดจัดทำเพื่อแบ่งปันความรู้ในสายงานด้านวิศวกรรมต่อผู้ร่วมงานในสายอาชีพเดียวกัน ที่ต้องการเห็นความปลอดภัยอย่างยั่งยืน


งานเดินเรือในท้องทะเลเป็นหนึ่งในความอันตรายที่มีความเสี่ยงสูงต่องานขุดเจาะน้ำมันทางทะเล บทความนี้จะกล่าวถึง ชนิดของเรือที่ใช้งานขุดเจาะน้ำมันทางทะเล ความอันตรายต่องานเดินเรือ และเครื่องมือป้องกันอันตรายต่อการที่เรือจะชนเข้ากับแท่นขุดเจาะกลางทะเล

การติดตั้ง CALM Buoy กลางทะเลมีประโยขน์ในหลายๆด้าน และหนึ่งประเด็นที่สำคัญคือเรื่องค่าใช้จ่ายในแง่เงินลงทุน อย่างไรก็ตามการเลือกใช้ระบบ CALM Buoy จำเป็นต้องเข้าใจอันตรายต่างๆที่อาจจะมากระทำต่อระบบ CALM Buoy ได้

Mecury ที่ปะปนอยู่ในกระบวนการผลิตในอุตสาหกรรมขุดเจาะน้ำมัน ก่อให้เกิดผลกระทบหลายอย่าง ไม่ว่าจะเป็นการกัดกร่อน ส่งผลกระทบต่อสิ่งแวดล้อม หรืออันตรายต่อสุขภาพของผู้ปฏิบัติงาน บทความนี้จะกล่าวถึง วิธีจัดการกับ Mercury ที่อยู่ในระบบ พร้อมทั้งความอันตรายของ Mercury

ความเข้าใจในการประเมินหาปริมาณที่มีก๊าซที่ความดันรั่วไหนในพื้นที่ทำงาน มีความสำคัญมากในการประเมินความรุนแรงหรือ severity level ในระหว่างการประเมินความเสี่ยงเชิงคุณภาพ หรือ Quality Risk Assessment และการประเมินความเสี่ยงเชิงปริมาณ Quantitative Risk Assessment (QRA) ที่เกี่ยวข้องกับ gas dispersion, jet fire, VCE

ความเข้าใจในการประเมินหาปริมาณของเหลวที่รั่วไหลในพื้นที่ทำงาน มีความสำคัญมากในการประเมินความรุนแรงหรือ severity level ในระหว่างการประเมินความเสี่ยงเชิงคุณภาพ หรือ Quality Risk Assessment และการประเมินความเสี่ยงเชิงปริมาณ Quantitative Risk Assessment (QRA) ที่เกี่ยวข้องกับ liquid pool fire

การประเมินความดันจากแรงระเบิด blast pressure มีประโยชน์มากในช่วงการออกแบบเรื่องตำแหน่งการติดตั้งอุปกรณ์ต่างที่เรียกว่า Facility Siting Study เพราอย่างน้อยๆ จะช่วยให้สามารถเลือกใช้วัสดุที่สามารถทนต่อความดันที่อาจจะเกิดขึ้นได้

บทความนี้จะกล่าวถึงวิธีอย่างง่ายในการประเมินความเร็วของเหลวที่รั่วไหลในพื้นที่ทำงาน มีประโยชน์มากในการประเมินความรุนแรงหรือ severity level ในระหว่างการประเมินความเสี่ยงเชิงคุณภาพ หรือ Quality Risk Assessment และการประเมินความเสี่ยงเชิงปริมาณ Quantitative Risk Assessment (QRA) ที่เกี่ยวข้องกับ liquid pool fire

บทความนี้จะกล่าวถึงทฤษฎีแรงระเบิดต่อความสำคัญทางด้านการออกแบบในแง่ Technical Safety ซึ่งจะมีการอธิบายถึงตัวแปรที่สำคัญต่อแรงระเบิดและสมการต่างๆที่นิยมใช้ในการประเมินแรงระเบิด

บทความนี้จะกล่าวถึง ปัจจัยที่ส่งผลต่อการออกแบบการจัดวางพื้นที่ จัดวางอุปกรณ์เพื่อให้เกิดความปลอดภัยสำหรับแท่นขุดเจาะกลางทะเล

บทความนี้จะกล่าวถึง องค์ประกอบทั่วไปของ Reciprocating Compressor และอันตรายที่กาจจะเกิดขึ้นได้ต่อ Reciprocating Compressor

บทความนี้จะกล่าวถึงว่าอะไรคือ Gas Lift Operation มีเครื่องจักรอะไรบ้างที่ใช้ในการทำ Gas Lift Operation รวมถึงจะกล่าวถึงอันตรายที่อาจจะเกิดขึ้นในระหว่างกระบวนการ Gas Lift Operation

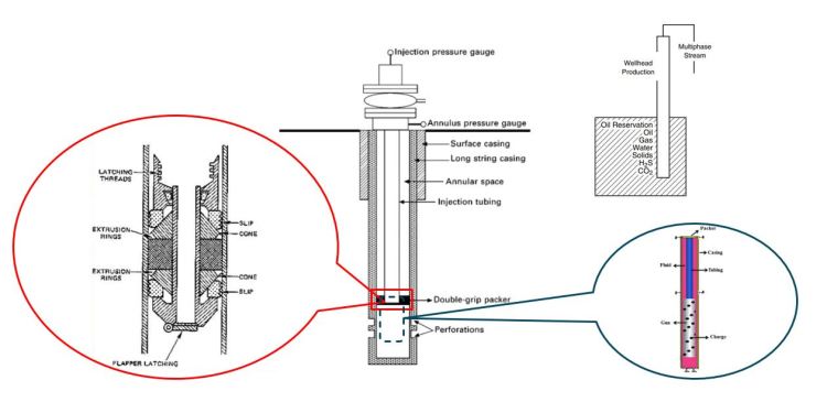
บทความนี้จะกล่าวถึงอะไรคือ Wellhead Flow Line อะไรคืออันตรายที่อาจจะเกิดจาก Wellhead Flow Line และอะไรคือระบบป้องกันที่ควรมีบน Wellhead Flow Line

บทความนี้จะกล่าวถึง พื้นฐานของ Climate Change กับ Decarbonization และพื้นฐานของ Climate Risk Assessment

ในระหว่างการประเมินความเสี่ยงเชิงคุณภาพหรือ Quntitative Risk Assessment (QRA) นั้นผู้ทำการคำนวนจำเป็นต้องเข้าใจลักษณะของไฟในแบบต่างๆ ที่จะเกิดขึ้นได้จากชนิดของสาร ความดันหรืออุณหภูมิของสารในขณะที่รั่วไหลออกสู่พื้นที่ภายนอก

ค่าเฉลี่ยของอายุอุปกรณ์ที่จะเสียหาย หรือ Mean Time To Failure เป็นค่าที่มีความสำคัญมากต่ออการนำไปคำนวนหา ความเป็นไปได้ที่อุปกรณ์จะเสียหายเมื่อต้องการใช้งาน Probability Failure on Demand

บทความนี้จะกล่าวถึงค่ามาตราฐานที่ใช้สำหรับการแสดงถึงความอันตรายของตวามร้อนต่อผู้ปฏิบัติงาน พร้อมทั้งหาโอกาสความเป็นไปได้ที่จะมีผู้เสียชีวิตต่อการสัมผัสความร้อนดังกล่าว

บทความนี้จะแสดงการคำนวนและวิเคราะห์ผลความการแผ่รังสีความร้อนด้วยวิธี API method รวมถึงตัวแปรต่างๆที่จะส่งผลต่อการรับอันตรายต่อรังสีความร้อน

ในการวิเคราะห์หาความน่าเชื่อถือหรือความมีเสถียรภาพของระบบหรือกระบวนการ เช่น ตรวจสอบความมีเสถียรภาพของโรงไฟฟ้าเป็นต้น เครื่องมือเทคนิคการศึกษาด้วยวิธี Reliability Block Diagram (RBD) เป็นวิธีที่นิยมมาก บทความนี้อธิบายถึงพื้นฐานการใช้ RBD

ค่าความเป็นไปได้ที่ระบบหรือ function จะเสียหายเมื่อต้องการใช้งาน Probability of Failure on demand ซึ่งจะไม่สามารถหยุดอันตรายได้นั้น เป็นค่าที่ใช้บ่งบอกถึงค่าความน่าเชื่อถือของระบบ ซึ่งจะถูกตรวจสอบในการวิเคราะห์ SIL verification
ติดต่อ
ข้อความของคุณถูกส่งแล้ว
Contact Us
Line ID.: pongsakorn023
WhatsApp: +66944592885
Get in touch
Mobile: (+66)94-459-2885











